東莞天華電子制造有限公司
Dongguan Ten Well Industrial co., Ltd.
(86)-0769-89910088 ext836
聯系人:高小姐 13423270070
郵箱:sales@ten-well.cn
傳真:89910100
地址:廣東省東莞市高埗鎮(zhèn)莞潢中路8號1號樓
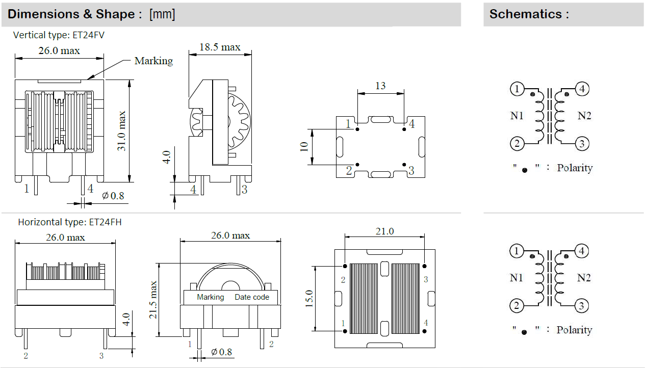
ET24TV
聯系我們
下載
產品詳情
圖紙
留言
產品名稱 *
您的姓名 *
聯系郵箱 *
公司名稱
聯系電話 *
傳真
您的地址
需求描述 *
提交留言
聯系方式
高小姐
13423270070
客服微信